Solução para projeto de máquina formadora de rolos de alumínio no mercado da Nigéria
Lar » Notícias » BLOGUE » Solução para projeto de máquina formadora de rolos de alumínio no mercado da Nigéria

NOTÍCIAS

Solução para projeto de máquina formadora de rolos de alumínio no mercado da Nigéria

Autor:editor do site     Publicar Time: 2018-08-04      Origem:alimentado

Inquérito

Solução para projeto de máquina formadora de rolos de alumínio no mercado da Nigéria


1.
Contexto da solução:

O comprador é um incorporador imobiliário e está gastando muito para comprar seus projetos habitacionais. E ele não pode controlar o tempo de entrega de ladrilhos e folhas de longo vão. Um desenvolvedor imobiliário, seus projetos habitacionais exigem pelo menos três produtos principais: máquina perfiladeira de longo vão para produzir telhado, máquina perfiladeira de telha escalonada para produzir telha e máquina perfiladeira metrocopo para fazer telha metrocopo.

Então sugerimos que ele comece com três máquinas. Adicionando uma empilhadeira para operar suas máquinas em sua fábrica.

Os detalhes estão a seguir:


1. Máquina formadora de rolos de longo período (estilo europeu) :
Desenho de longo período:

Desenho de máquina formadora de rolos de longa extensão

Amostra de longo alcance

Foto da máquina de longo alcance (estilo europeu):

Máquina de grande vão PARÂMETROS PRINCIPAIS :

1) Velocidade de formação: Máx. Cerca de 2m 5/min. (excluindo o tempo de corte)

2) Potência do motor principal: 5.5KW (depende do projeto final)

3) Potência da Estação Hidráulica: 2,2KW (depende do projeto final)

4) Sistema de controle: Mitsubishi PLC e transdutor , tela Mitsubishi ( marca japonesa ese )

5) Codificador: Nemicon ( marca japonesa )

6) Material dos rolos Aço forjado de alta qualidade No.45, com procissão controlada digitalmente,

banhado com cromo na superfície.

7) Diâmetro do eixo 72 mm , trabalhado por retificadora duas vezes para garantir a precisão do produto final.

8) Tipo de corte: corte com comprimento definido e estilo de pós-formação

9) Condição elétrica: 380V/3Phase/50HZ (ou depende do cliente)

10) Peso Total: Cerca de 8500 Kg

11) Tamanho da máquina Cerca de 9X1,7X1,6m (comprimentoXlarguraXaltura)



Sistema de controle PLC totalmente automático:

COMPONENTES DA MÁQUINA:

(1) Conjunto de desbobinador manual 1 ( capacidade: 5 toneladas )

(2) Conjunto M/C 1 para formação de rolo

( 3) Corte Hidráulico 1 conjunto

( 4) Estação hidráulica 1 conjunto

( 5) Sistema de controle PLC 1 conjunto

(6) Caixa de ferramentas 1 peça



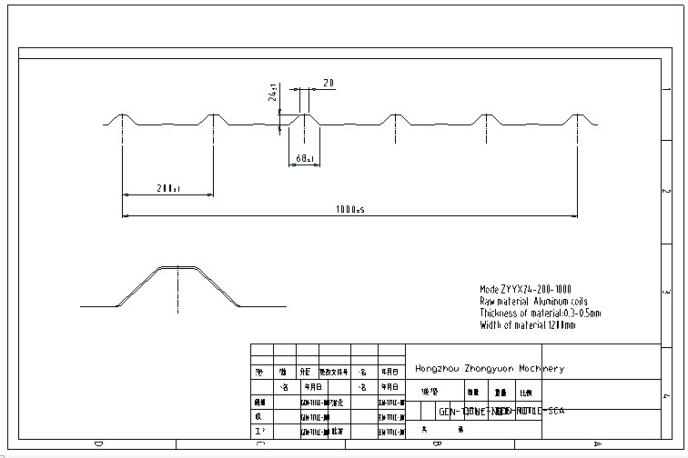
2. Máquina formadora de rolo de telha escalonada : desenho da máquina de telha escalonada :

desenho de máquina de ladrilho passo a passo

Foto da máquina de ladrilhos escalonados (estilo europeu):

Amostra de ladrilho escalonado:

PRINCIPAIS PARÂMETROS para máquina de ladrilhos escalonados :

1) Velocidade de trabalho : Cerca de 6m/min. ( incluindo o tempo de corte e prensagem )

2) Potência do motor principal: 5.5KW (depende do projeto final)

3) Potência da Estação Hidráulica: 5.5KW (depende do projeto final)

4) Sistema de controle: transdutor , Mitsubishi PLC e tela Mitsubishi ( marca japonesa ese )

5) Codificador: Nemicon ( marca japonesa )

6) Material dos rolos Aço forjado de alta qualidade No.45, com procissão controlada digitalmente,

banhado com cromo na superfície.

7) Diâmetro do eixo 72mm , trabalhado por retificadora por duas vezes

para garantir a precisão do produto final.

8) Tipo de corte: corte com comprimento definido e estilo de pós-formação

9) Condição elétrica: 380V/3Phase/50HZ (ou depende do cliente)

10) Peso Total: Cerca de 11500 Kg


Sistema de controle PLC totalmente automático:

COMPONENTES DA MÁQUINA:

(1) Conjunto de desbobinador manual 1 ( capacidade: 5 toneladas )

(2) Conjunto M/C 1 para formação de rolo

(3) Dispositivo de prensagem hidráulica 1 conjunto

( 4) Corte Hidráulico 1 conjunto

( 5) Estação hidráulica 1 conjunto

( 6) Sistema de controle PLC 1 conjunto

(7) Caixa de ferramentas 1 peça



3. Máquina formadora de rolos de telha Metrocopo : Desenho da máquina de telha Metrocopo :

Foto da máquina de telha Metrocopo (estilo europeu):

Amostra de telha Metrocopo:

PRINCIPAIS PARÂMETROS para máquina de telha Metrocopo :

1) Velocidade de trabalho : Cerca de 6m/min. ( incluindo o tempo de corte e prensagem )

2) Potência do motor principal: 5.5KW (depende do projeto final)

3) Potência da Estação Hidráulica: 5.5KW (depende do projeto final)

4) Sistema de controle: transdutor , Mitsubishi PLC e tela Mitsubishi ( marca japonesa ese )

5) Codificador: Nemicon ( marca japonesa )

6) Material dos rolos Aço forjado de alta qualidade No.45, com procissão controlada digitalmente,

banhado com cromo na superfície.

7) Diâmetro do eixo 72mm , trabalhado por retificadora por duas vezes

para garantir a precisão do produto final.

8) Tipo de corte: corte com comprimento definido e estilo de pós-formação

9) Condição elétrica: 380V/3Phase/50HZ (ou depende do cliente)

10) Peso Total: Cerca de 11500 Kg



Sistema de controle PLC totalmente automático:

COMPONENTES DA MÁQUINA:

(1) Conjunto de desbobinador manual 1 ( capacidade: 5 toneladas )

(2) Conjunto M/C 1 para formação de rolo

(3) Dispositivo de prensagem hidráulica 1 conjunto

( 4) Corte Hidráulico 1 conjunto

( 5) Estação hidráulica 1 conjunto

( 6) Sistema de controle PLC 1 conjunto

(7) Caixa de ferramentas 1 peça



4. Empilhadeira: Empilhadeira Hangcha (marca famosa na China, que é uma empresa do grupo de ações, garante boa qualidade)

CPCD30N-RW15A, sistema de transmissão NISSAN.



Requisito de tamanho da fábrica do comprador: 20 m de comprimento x 10 m de largura

Do plano acima, o comprador deve se preparar para pelo menos USD135000 para máquinas e empilhadeiras. E este pagamento não inclui taxa que o comprador deve pagar ao imposto alfandegário da Nigéria e custo de liberação no porto de Tincan. O comprador pode obter esse imposto personalizado e custo de compensação do despachante da Nigéria.

Zhongyuan pode fornecer todas as máquinas e empilhadeiras e bobinas de alumínio necessárias para o comprador. O comprador apenas se prepara para o local da fábrica e o dinheiro para aguardar o início do seu projeto.

Escolha a máquina formadora Zhongyuan, formando o seu sonho!

Olá clientes,

Olá, meus queridos clientes,
Meu nome é May Fu, sou gerente da Hangzhou Zhongyuan Machinery Factory. Trabalho na indústria de máquinas de construção desde 2001. Com mais de 23 anos de experiência na exportação de máquinas formadoras de rolos, visitei mais de 16 países para fazer pesquisas de mercado local, posso recomendar a máquina formadora de rolos mais adequada para você de acordo com suas solicitações. Desde a seleção de qualidade das máquinas até o preço competitivo das máquinas que você tanto preocupa durante sua compra, sou versado em todos os aspectos e posso garantir-lhe o serviço mais descomplicado! Sinta-se à vontade para entrar em contato comigo se tiver alguma dúvida.